Различают 5 режимов качения колеса: ведущий, ведомый, тормозной, нейтральный, свободный. Более подробно о них можно прочитать в ГОСТ 17697-72.
Тормозной режим качения колеса - это режим, при котором на колесо действует крутящий момент, вектор направления которого противоположно направлен вектору угловой скорости колеса, а в движение оно приводится толкающей силой (см. рис. 1).
<div class="center" markdown="1">

Рисунок 1 - Тормозной режим качения колеса. Действующие силы и моменты. </div>
Данная расчетная схема описывается следующей системой уравнений:
<div class="center" markdown="1">

Рисунок 2 - Система уравнений для описания колеса в режиме торможения </div>
Величину реакции Rx можно определить, зная коэффициент сцепления колеса ϕ с опорной поверхностью: Rx = Rz·ϕ.
Аналитическая зависимость для коэффициента сцепления имеет следующий вид:
<div class="center" markdown="1">

Рисунок 3 - Формула определения коэффициента сцепления </div>
Как видно из уравнения, коэффициент сцепления зависит от коэффициента продольного скольжения S, определяемого по формуле:
<div class="center" markdown="1">

Рисунок 4 - Формула определения коэффициента продольного скольжения при торможении </div>
Перейдем к краткому рассмотрению принципа работы АБС: он основан на поддержании узкого диапазона продольного скольжения колес, при котором обеспечивается высокое значение коэффициента сцепления колес с опорной поверхностью. Диаграмма ϕ-S продемонстрирована на рис. 5. При моделировании выберем оптимальный интервал изменения коэффициента S от 0,07 до 0,075.
<div class="center" markdown="1">

Рисунок 5 - Диаграмма ϕ-S </div>
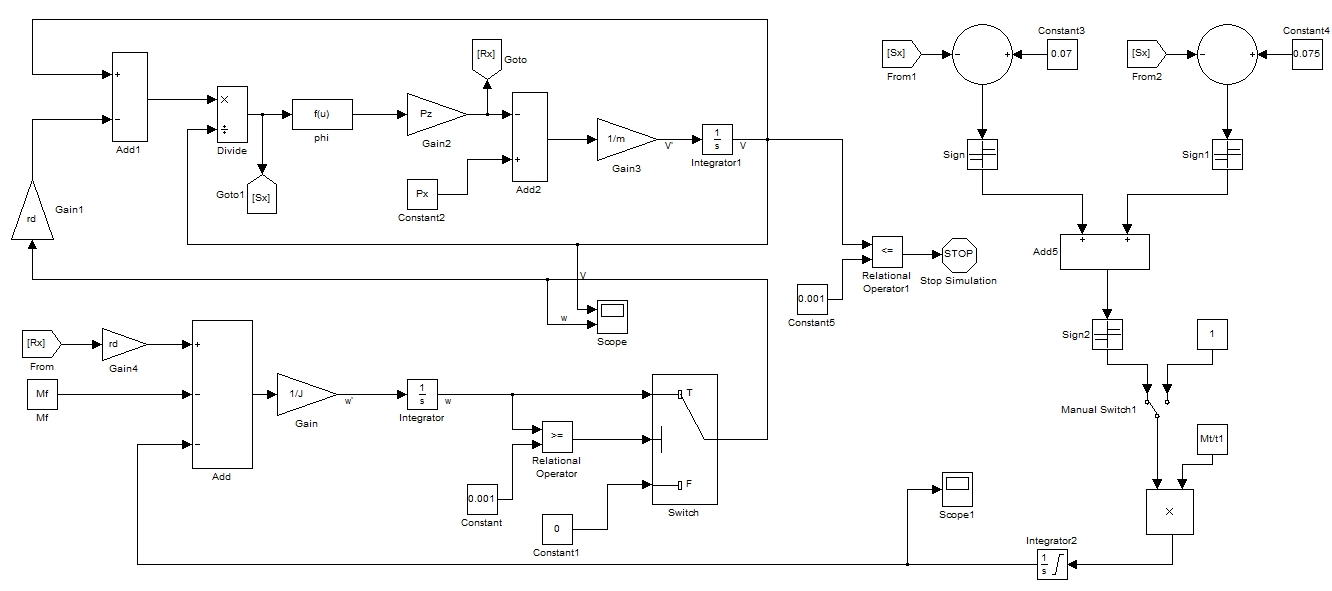
Рассмотрим процесс создания модели колеса в тормозном режиме в Simulink. Исходные параметры вводим в m-файле (рис. 6).
<div class="center" markdown="1">

Рисунок 6 - Исходные параметры для моделирования </div>
Модель в Simuliink:
<div class="center" markdown="1">

Рисунок 6 - Модель колеса в тормозном режиме с АБС в Simulink </div>
Пояснения к модели:
График изменения линейной и угловой скорости одиночного колеса в тормозном режиме без АБС в Simulink:
График изменения линейной и угловой скорости одиночного колеса в тормозном режиме с АБС в Simulink:
Как видно из графиков, включение АБС предотвращает блокировку колеса.